Skip To Content

Catalog

The VMAX™ Linear Vibrator operates with low noise levels and high force outputs and accommodates the most demanding of applications. Special end mounts, dual ports and a totally enclosed housing make it one of the most unique linear vibrators on the market. With a state-of-the-art piston design, the VMAX™ linear vibrator does not require a spring to start and is centrifugally balanced, which prolongs the life and increases the force output over conventional models. The VMAX™ vibrator comes in a variety of sizes to suit almost every application, big and small.
Unit of Measure

Brands

N/A Posi-flate®

Standard Temperature

N/A 14 to 300 ºF-10 to 150 ºC

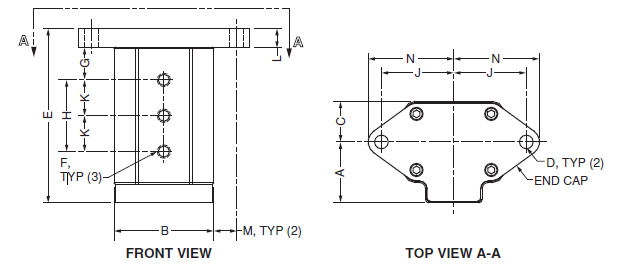
Dimensions

N/A

Vibrator Performance

N/A

Features and Benefits

N/A
  • Explosion-proof as standard
  • Maintenance-free
  • Adjustable frequency
  • Adjustable amplitude
  • Wide oscillations
  • Excellent start/stop characteristics
  • Starts in any position
  • Minimum sound emission
  • Low air consumption
  • Less expensive than electric vibrators

Additional Information

N/A The VMAX™ vibrator is suitable for many different applications, including vibratory conveying, vibratory compacting and discharging of either dry or wet difficult to handle bulk solids from bins and hoppers. The VMAX™ linear vibrator is versatile with regard to most applications because its force output can be adjusted for a wide range of requirements by simply increasing the compressed air pressure and/or volume using conventional low cost air or electrical controls. The flexibility and range of the VMAX™ linear vibrator can be enhanced considerably by utilizing a two mass design, where the output force can be multiplied numerous times its normal maximum output.

The VMAX™ linear vibrator can also be used to compact materials when filling containers to achieve maximum space utilization and save shipping costs.

When designed into a vibratory conveyor for instance, the VMAX™ linear vibrator has tremendous cost and performance advantages over using an electric vibrating motor for the drive mechanism. This is because the VMAX™ linear vibrator starts and stops quickly and smoothly and is more controlled for significantly better performance. It does not go through a violent resonance phase like an electric vibrating motor. When an electric vibrating motor starts and/or stops, it goes through what is called a resonance phase, where the frequency of the vibrating system is at the natural frequency of the suspension. When this happens, amplification of movement occurs and the conveyor reacts violently. In addition, this violent movement takes some time to settle down and fully stop, which is not only detrimental for many applications, but can be costly to resolve as well.

Also, because the VMAX™ linear vibrator operates with compressed air, it is a natural for explosion proof applications and much safer to use. When used with filtered and lubricated compressed air, the VMAX™ linear vibrator requires only minimal maintenance.

Note

N/A Specifications subject to change without notice.
VMAX™ and Posi-flate® are trademarks of Posi-flate®, St. Paul, Minnesota.